Avtomatizacija

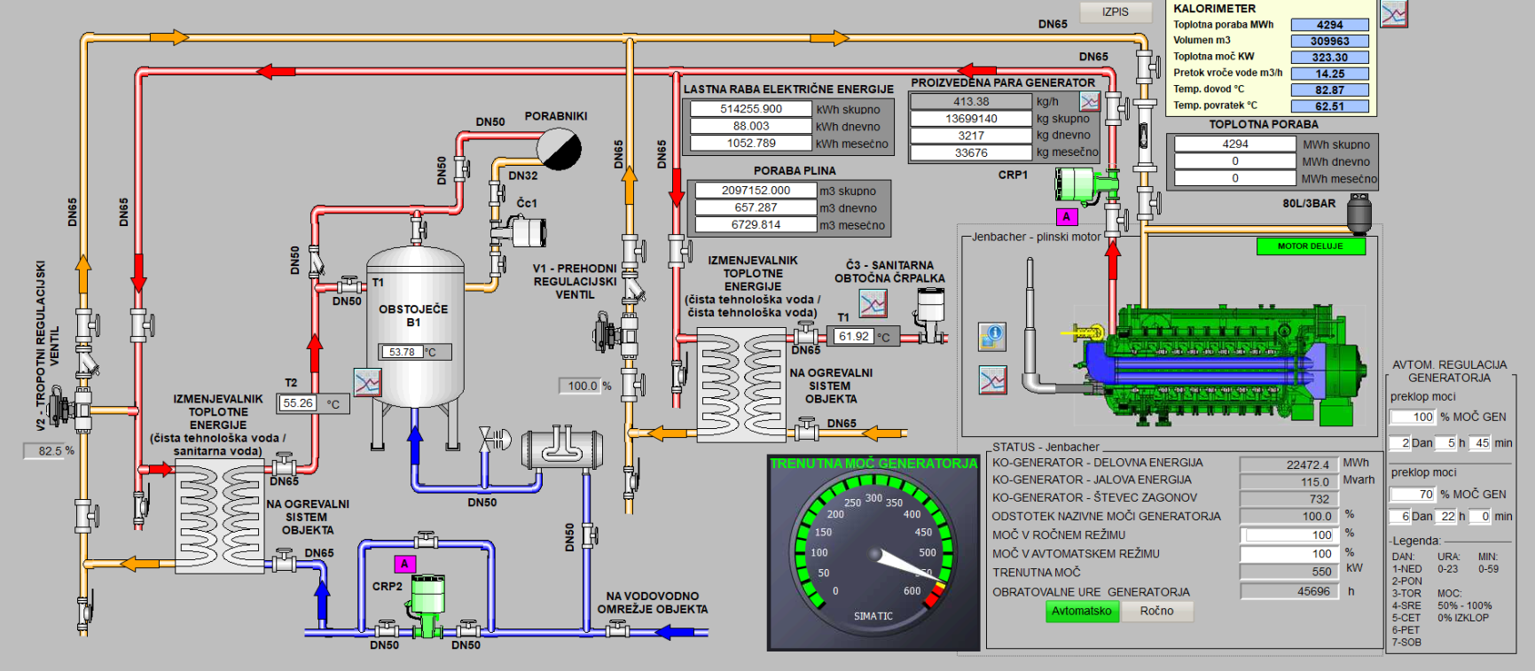
V našem podjetju nudimo celovite rešitve na področju avtomatizacije industrijskih procesov, kjer združujemo znanje elektrotehnike, programiranja in procesnega vodenja za doseganje zanesljivega, učinkovitega in varnega delovanja sistemov. Naše storitve vključujejo: - načrtovanje in razvoj rešitev za avtomatizacijo proizvodnih in tehnoloških procesov, - programiranje PLC krmilnikov, HMI in SCADA sistemov, - integracijo naprav in sistemov različnih proizvajalcev, - nadgradnje in optimizacijo obstoječih sistemov, - zagon in optimizacijo delovanja procesov, - tehnično podporo in servis. Pri izvedbi uporabljamo krmilno opremo proizvajalcev Siemens, Schneider Electric in Smarteh, programiranje pa izvajamo v okoljih TIA Portal, STEP 7 ter ETS5 za Smart Building (KNX) sisteme pametnih in energetskih objektov. Za vizualizacijo in nadzor procesov uporabljamo SCADA sisteme WinCC ter industrijske HMI panele, ki omogočajo pregledno upravljanje, hitro diagnostiko in učinkovito spremljanje delovanja naprav ter procesov. Rešitve prilagajamo potrebam naročnika z namenom povečanja produktivnosti, izboljšanja zanesljivosti delovanja ter zmanjšanja stroškov obratovanja in vzdrževanja, pri čemer zagotavljamo možnost enostavnih kasnejših nadgradenj sistema. Naše rešitve uspešno uporabljajo podjetja na področjih proizvodnje, energetike, infrastrukture, logistike in drugih industrijskih panog.